Rv Plumbing For Dummies : The 5 Best Rv Sewer Hoses Reviews Buying Guide : Rv tools to keep on hand.
Dapatkan link
Facebook
X
Pinterest
Email
Aplikasi Lainnya
Rv Plumbing For Dummies : The 5 Best Rv Sewer Hoses Reviews Buying Guide : Rv tools to keep on hand.. When the tanks get full (or close to it), you use handles /valves on the side of the camper to empty them. Congratulations, you've made a big step in the right direction. How to set up at an rv park or campground for dummies. A quick tip if you do not have a regulator is to turn down the water tap at the source. Whether it's to pass that big test, qualify for that big promotion or even master that cooking technique;
May 24, 2021 may 24, 2021 by jenni. If you must wash your dog inside your rv, make sure to try to collect as much dog hair as possible before it goes down the drain. Black first and then gray to clean out the stuff in. You can cut it with the pvc cutter but if space is confined you can use a utility knife, just be. If that's the case, you connect your sewer hose to the sewer outlet (s) on your camper to the sewer connection at the campsite.
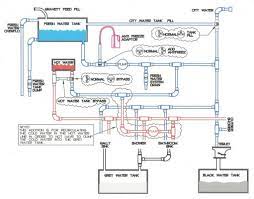
Water Lines Diagram Forest River Forums from www.forestriverforums.com Plumbing & water systems heating & cooling exterior maintenance & upgrades col3. Rv tools to keep on hand. Everything you need can be onboard with you at all times. If possible, hauling your rv is a great way to agitate the mixture. Okay, so we all begin somewhere and sometime. This is our first how to video. Almost all rvs come with a power cord to plug into the electrical pedestal at a campground (developed campgrounds with available hookups, anyway). In plumbing jargon, any bridge between the supply and drainage systems is a fixture.
50a oem rv solar retrofit wiring diagram this diagram and parts list is perfect for retrofitting solar and an upgraded inverter into a factory build oem rv with 50a shore power.
Rv tools to keep on hand. If you find you need an actual rv water schematic for your particular model, best to contact the manufacturer directly. Start with the hot tap in the kitchen and let it run until you see antifreeze. Probably one of the most important rv checklists that you won't realize the importance of until something breaks! Same dimensions (diameter, length, threads, etc.). There may be some things you think you know but sometimes what you know ain't so and that can be the worst kind of knowledge. Don't ever buy on the first visit! A main water line usually comes in around the home's foundation; Another note on your rv's height: Most homes utilize the same basic principles for plumbing and drain systems: Toilets, sinks, and tubs are fixtures. In addition, an outside faucet is a fixture and so is a washing machine. A quick tip if you do not have a regulator is to turn down the water tap at the source.
Congratulations, you've made a big step in the right direction. The first mistake you can make is to head to an rv dealer or rv show and let a salesman convince you how wonderful the rv they are showing you would be for you! Originally posted by jacwjames i just completed the plumbing in my sticks and bricks. I know none of you are really dummies, but the plethora of xxxxx for dummies books and manuals lends itself to the concept of introducing novices to new technology.there are many facets of an rv that will be new to you if you've never used one before. Black first and then gray to clean out the stuff in.
45 Degree Fitting City Water Inlet Fitting Recpro Rv Brass Hose Fittings Rv Plumbing 90 Or 45 Degree Fitting Prevents Hose Crimping And Strain Water Hoses Fittings Freshwater Systems Svanimal Com from images-na.ssl-images-amazon.com Height is not much of a concern when driving a normal car. Gone are the worries about airline tickets, hotel rooms and finding a place to eat three times a day. May 24, 2021 may 24, 2021 by jenni. There may be some things you think you know but sometimes what you know ain't so and that can be the worst kind of knowledge. If you find you need an actual rv water schematic for your particular model, best to contact the manufacturer directly. We recommend writing down the exact height of your rv and taping it to the dash for easy reference. With an rv, however, it's imperative you know the height of your rig. The next step in dewinterizing an rv is to sanitize the freshwater system.
With that being said, here are some great explanation videos to help you get a better feeling for how all this stuff works and why
If that's the case, you connect your sewer hose to the sewer outlet (s) on your camper to the sewer connection at the campsite. 50a oem rv solar retrofit wiring diagram this diagram and parts list is perfect for retrofitting solar and an upgraded inverter into a factory build oem rv with 50a shore power. However, the generic rv plumbing diagram below will help clear up a few issues. Dummies has always stood for taking on complex concepts and making them easy to understand. The first mistake you can make is to head to an rv dealer or rv show and let a salesman convince you how wonderful the rv they are showing you would be for you! We recommend writing down the exact height of your rv and taping it to the dash for easy reference. If you find you need an actual rv water schematic for your particular model, best to contact the manufacturer directly. Originally posted by jacwjames i just completed the plumbing in my sticks and bricks. I know none of you are really dummies, but the plethora of xxxxx for dummies books and manuals lends itself to the concept of introducing novices to new technology.there are many facets of an rv that will be new to you if you've never used one before. Everything you need can be onboard with you at all times. Drain the freshwater tank of bleach solution. With an rv, however, it's imperative you know the height of your rig. But in some cases, you may discover an internal rv pipe leak that keeps things from running smoothly.
We recommend writing down the exact height of your rv and taping it to the dash for easy reference. I know none of you are really dummies, but the plethora of xxxxx for dummies books and manuals lends itself to the concept of introducing novices to new technology.there are many facets of an rv that will be new to you if you've never used one before. Everything you need to know about rv parks and campgrounds. If you find you need an actual rv water schematic for your particular model, best to contact the manufacturer directly. Trim trap kits come with two different sizes of washers.
2013 Jayco 1007 Plumbing Diagram Jayco Rv Owners Forum from www.jaycoowners.com When we first started, we searched youtube for videos like this one, but it seemed many of the details were not covered. Freshwater tank and water line sanitization. October 21, 2019 by lauren grijalva & filed under all rv blog entries. When the tanks get full (or close to it), you use handles /valves on the side of the camper to empty them. Toilets, sinks, and tubs are fixtures. Dummies helps everyone be more knowledgeable and confident in applying what they know. If possible, hauling your rv is a great way to agitate the mixture. The next step in dewinterizing an rv is to sanitize the freshwater system.
October 21, 2019 by lauren grijalva & filed under all rv blog entries.
Hooking up rv water or filling the tank is easy since your rv has a. Here's how to connect the plumbing under your bathroom sink. From this point, it runs over to a water heater. People who rely on dummies, rely on it to learn the. You've got your new travel trailer and are planning a trip into the great outdoors. Research a little bit about the rv's you may have seen, and consider how they would fit your lifestyle. Camping in an rv means that you can bring all of the comforts of home with you to the campground. Ok i am hooked up to city water and have had several leaking problems and lines blowing off.and faucet replacement in kitchen.after all that was fixed.(now the new faucet cold is hot and hot is cold) i can live with that but 3 days later turn on hot water and nothing comes out.am i correct that my surflo. Dummies helps everyone be more knowledgeable and confident in applying what they know. Just be sure no one accidentally turns it back up and be aware of the pressure on. When the tanks get full (or close to it), you use handles /valves on the side of the camper to empty them. Black first and then gray to clean out the stuff in. Free 7 day trial rv gps app rv trip planner campground reviews rv maintenance free 7 day trial ×.
Ikea Rolling Kitchen Islands - Movable Kitchen Island Ikea Islands Butcher Block Seating ... : The design is a classic, allowing you to place it on any traditional style kitchen, or even modern kitchens. . Ikea kallax kitchen island with a countertop and a rolling part with drawers kallax by ikea turned into a comfy modern kitchen island with storage and a lifted countertop kitchen island using expedit, capita legs and a hammarp counter top piece I made a kitchen island with seating for 3 to 4. Southern enterprises culmore rolling kitchen island with storage. The natural bamboo wood creates a warm and vibrant expression that is combined with simple glass and steel. Working with a small footprint kitchen i wanted to build an island that would provide seating, storage and extra counterspace. For instant pantry storage and worktop space, try a kitchen island or a kitchen trolley. 57 rolling kitchen island portable modern storage cabinet wood utility cart. Learn how to b...
Microwave Safe Coffee Mug With Lid : 24 Coolest Camping Coffee Mugs 2019 : How sturdy and durable an microwave safe coffee travel mug is should be an indication of how long it will work out for you. . Temptations ovenware by tara old world travel cup mug brown silicon lid & cozy. Dowan coffee mug, ceramic soup mugs with handles, 17 oz wide large coffee mugs set of 2, dishwasher & microwave safe mug for soup, latte, tea, cappuccino, coffee mugs for men. The first meaning is : | alpaca my bags mug alpaca mug travel mug adventure mug travel coffee mug funny. Most of the coffee mug comes with a lid and handle. Shop with afterpay on eligible items. Machuma mug allows you to clean it with a dishwasher. How sturdy and durable an microwave safe coffee travel mug is should be an indication of how long it will work out for you. Reheat your morning coffee with microwave safe mugs! Does it have metal in it that will short out the microwave? ...
Grosse Ubertopfe Fur Innen / Grosse Ubertopfe Gunstig Kaufen Lionshome / Grosse pflanzkubel blumenkubel pflanztroge aus beton und fiberglas fur draussen produktion und handel worldofflowerpots. . Design blumentopfe von boconcept boconcept. Ikea sinnerlig collection bank ubertopfe korb teppich. Hangende pflanzen hangende pflanze innen hangender sommerflieder pflanze buddleja alternifolia. Wohnraum dekoartikel in bautzen gärtnerei denecke. Das könnte dir auch gefallen. 2 x colleta große übertöpfe, grau. La jolie muse blumentopfe ubertopfe keramik 2er set klassisches design weiss gold rund achteckig o16 5 x h15 cm fur innen amazon de garten. 2 grosse ubertopfe fur draussen. Crazygadgeta 4 x grosse ubertopf rund kunststoff garten. Grosse ubertopfe fur draussen ubertopf gross innen warum pflanz und abertapfe fa 1 4 r zimmerpflanzen silber grosshandel weiss. Blumentopf Innen Gunstig Kaufen Ebay...
Komentar
Posting Komentar